Оптический трансивер NS-SFP+W45L80D, 10G Tx/Rx:1490/1550nm 80km, LC, DDM

Артикул: NS-SFP+W45L80D
Оптический трансивер NS-SFP+W45L80D, 10G Tx/Rx:1490/1550nm 80km, LC, DDM
Оптический трансивер NS-SFP+W45L80D, 10G Tx/Rx:1490/1550nm 80km, LC, DDM
Наличие на складах:
Москва под заказ от 1 дня
Новосибирск под заказ от 1 дня

Особенности

  • SFP MSA package with single LC connector
  • Typical bidi 1490/1550nm and 1550nm/1490nm for commission
  • APD receiver for high sensitivity
  • Very low EMI and excellent ESD protection
  • Digital Diagnostic Monitor Interface
  • Горячая замена (Hot pluggable)
  • Support 9.95Gb/s to 11.1Gb/s serial optical interface
  • Дальность до 80 км
  • Соответствует SFP+ MSA
  • Высокий запас по передаче
  • Питание +3.3В
  • Потребляемая мощность менее 1.5Вт

Применение

  • 10GBASE-BX at 10.3125 Gb/s
  • Другие оптические линии связи

Стандарты

  • SFF-8472 reversion 9.5 compliant
  • IEEE802.3-2005 compliant
  • Telcordia GR-468-CORE compliant
  • FCC 47 CFR Part 15,Class B compliant
  • FDA 21 CFR 1040.10 and 1040.11,class1 compliant
  • RoHS compliant

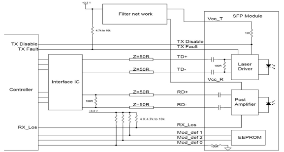
Функциональная схема

Functional Diagram

Максимально допустимые значения

Parameter Symbol Min. Max. Unit
Supply Voltage Vcc -0.5 4.0 V
Storage Temperature -40 85 °C
Relative Humidity 85 %

Общие рабочие характеристики

Parameter Symbol Min. Typ Max. Unit
Data Rate Ethernet 10.3125 Gb/s
Fiber Channel 9.953 Gb/s
Supply Voltage Vcc 3.13 3.3 3.47 V
Supply Current Icc5 500 mA
Operating Case Temp. Tc 0 70 °C

Электрические характеристики ввода/вывода

• Передатчик

Parameter Symbol Min. Typ Max. Unit Note
Diff. input voltage swing 120 820 mVpp 1
Tx Disable input H VIH 2.0 Vcc+0.3 V
L VIL 0 0.8 V
Tx Fault output H VOH 2.0 Vcc+0.3 V 2
L VOL 0 0.8 V
Input Diff. Impedance Zin 100 Ω

• Приемник

Parameter Symbol Min. Typ Max. Unit Note
Diff. output voltage swing 340 650 800 mVpp 3
Rx LOS Output H VOH 2.0 Vcc+0.3 V 2
L VOL 0 0.8

Оптические характеристики

• Передатчик (0~70℃@10.3125Gb/s)

Parameter Symbol Min. Typ Max. Unit Note
Operating Wavelength 1490/1550 nm 1
Ave. output power (Enabled) Po +1 +6 dBm 2
Extinction Ratio ER 5 dB 2
RMS spectral width Δλ 1 nm
Rise/Fall time (20%~80%) Tr/Tf 50 ps 3
Optical modulation amplitude OMA -4.8 dBm
Dispersion penalty 3 dB
Output Optical Eye IEEE 802.3-2005 Compliant

• Приемник (0~70℃@10.3125Gb/s)

Parameter Symbol Min. Typ Max. Unit Note
Operating Wavelength 1550/1490 nm 1
Sensitivity Psen -22 dBm 4
Min. overload Pimax -7 dBm
LOS Assert Pa -40 dBm
LOS De-assert Pd -22 dBm
LOS Hysteresis Pd-Pa 0.5 4 dB

Последовательный интерфейс для идентификации и DDM

The SFP modules implement the 2-wire serial communication protocol as defined in the SFP MSA. The serial ID information of the SFP modules and Digital Diagnostic Monitor parameters can be accessed through the I2C interface at address A0h and A2h. The memory is mapped in Table 1. Detailed ID information(A0h) And the DDM specification(A2h). For more details of the memory map and byte definitions, please refer to the SFF-8472 (Rev 9.3, Aug. 2002), "Digital Diagnostic Monitoring Interface for Optical Transceivers". The DDM parameters have been internally calibrated.

(Specific Data Field Descriptions)

Data Field Descriptions

Определения выводов и функции

Pin Definitions
Pin Functions

Типовая схема подключения

Typical Interface Circuit

Рекомендуемый фильтр питания

Recommended Power Supply Filter

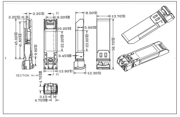
Габаритные размеры

Package Dimensions
Характеристики
  • Комментарии
Можете задать вопрос. Вам ответят покупатели или продавец
Загрузка комментариев...
Документы
NS-SFP+WxxL80D_EN_NS.pdf PDF, 906.95 КБ Скачать

Компания «Новые Сети Интеграция» доставит ваш заказ в любую точку России. Если вы находитесь в другой стране, можете заказать расчет доставки у нашего менеджера.Доставка осуществляется транспортной компанией ("Деловые линии", "Курьер Сервис Экспресс", "Достависта") «от двери до двери».

Стоимость доставки рассчитывается менеджером при оформлении заказа.

У Вас есть проверенная транспортная компания? При заказе, Вы сообщаете об этом менеджеру и после оплаты, вам отгрузят товар.

Рассчитать стоимость и сроки

Стоимость доставки рассчитывается менеджером

Если у вас возникли вопросы по оборудованию или доставке - наши специалисты всегда готовы прийти к вам на помощь.

Положение о гарантийном обслуживании
1

Продавец гарантирует отсутствие производственных дефектов и неисправностей Оборудования и несет ответственность по гарантийным обязательствам в соответствии с законодательством Российской Федерации.

2

Гарантийный период исчисляется c момента приобретения устройства и составляет: 1 год; 3 года (расширенная гарантия на товары под торговой маркой NEWNETS; 1 месяц (для б/у оборудования)

3

В течение гарантийного срока Продавец обязуется бесплатно устранить дефекты оборудования путем его ремонта или замены на аналогичное при условии, что дефект возник по вине Продавца. Устройство, предоставляемое для замены, может быть как новым, так и восстановленным, но в любом случае Продавец гарантирует, что его характеристики будут не хуже, чем у заменяемого устройства.

4

Выполнение Продавцом гарантийных обязательств по ремонту вышедшего из строя оборудования влечет за собой увеличение гарантийного срока на время ремонта оборудования.

5

Условия гарантии не предусматривают чистку и профилактику оборудования силами и за счет Продавца.

6

Продавец не несет ответственности за дефекты и неисправности Оборудования, возникшие в результате:      несоблюдения правил транспортировки и условий хранения, технических требований по размещению и эксплуатации; неправильных действий, использования Оборудования не по назначению, несоблюдения инструкций по эксплуатации; механических воздействий; действия обстоятельств непреодолимой силы (таких как пожар, наводнение, землетрясение и др.)

Не нашли подходящую модель?

Мы сэкономим ваше время! Поможем, подскажем, посоветуем.

Scroll up